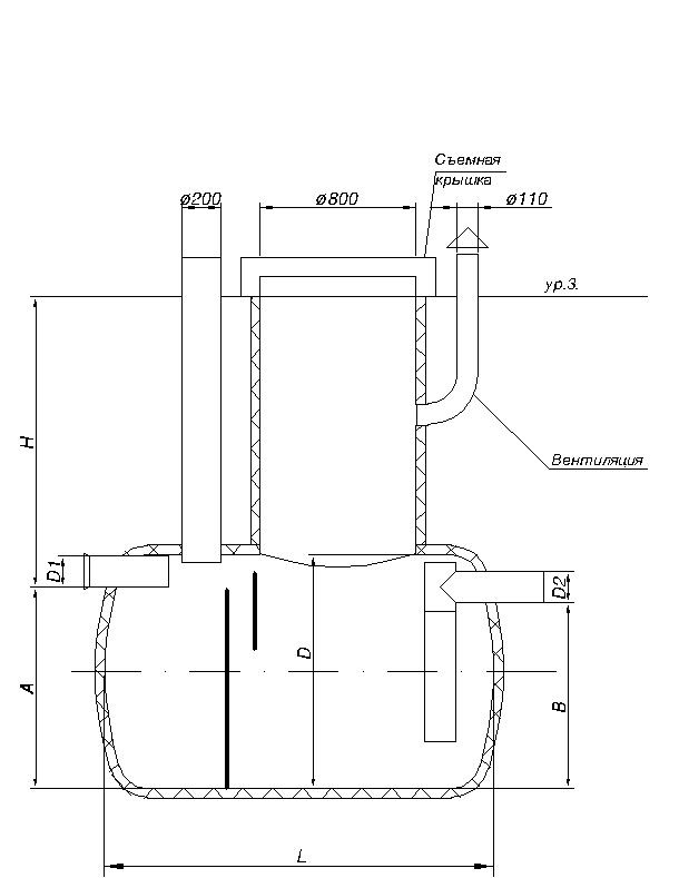
Жироотделитель / ЖО
Производитель: ЭКОСЕПТИКБЕЛ
Соответствует требованиям: ТУ 691329573.003-2018, ЕАЭС N RU Д-ВY.АЖ22.В.04223/18
Сертификат: Сертификат собственного производства №103.9/657-1 от 17.12.2018, Декларация соответствия №ЕАЭС N RU Д-ВY.АЖ22.В.04223/18
Год начала выпуска: 2015
Диаметр внутренний, мм: 1 200.00, 1 500.00, 1 600.00, 2 000.00, 2 400.00
Толщина стенки t, мм: 8.00
Дополнительно: Импортозамещающая продукция
Рубрики: Оборудование водоподготовки и водоотведения
Инженерное оборудование очистных сооружений
Изделия из полиэфирных, базальтовых и стеклянных нитей
Изделия из ПВХ, пластмассы и геосинтетических материалов
Инженерное оборудование очистных сооружений
Изделия из полиэфирных, базальтовых и стеклянных нитей
Изделия из ПВХ, пластмассы и геосинтетических материалов
Обновлено: 04.01.2019
Корпуса оборудования из армированного стеклопластика жесткостью SN-8 не требующие дополнительного бетонирования, антикоррозийной и гидроизоляционной обработки.

Отзывы