Паркет клееный 2-х слойный шлифованный (паркетная доска 2-х слойная) / Пк Шл
Производитель: Гомельдрев
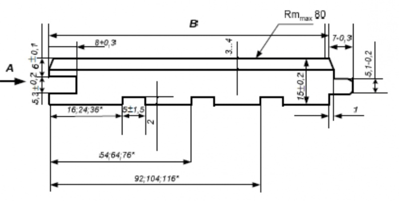
Соответствует требованиям: СТБ 1454-2004
Год начала выпуска: 2011
Длина L, мм: 1200, 2400
Толщина, мм: 15.00
Ширина B, мм: 140, 200
Масса 1 м2, кг: 10.20
Рубрики: Изделия деревянные
Детали профильные: доска подоконная, доска пола, наличник, плинтус, обшивка, поручень и другие пиломатериалы
Детали профильные: доска подоконная, доска пола, наличник, плинтус, обшивка, поручень и другие пиломатериалы
Обновлено: 27.06.2017
Длина L, мм - 1200-2400. Ширина B, мм - 140-200.

Отзывы